主页 > 产品展示 > 互感器 >
LDJ1~6-35、40.5电流互感器

发布时间:2021-03-08 15:51 来源:www.shyongshang.com 作者: admin

LDJ1~6-35、40.5型电流互感器

 
概述
LDJ1~6-35、40.5型电流互感器为环氧树脂浇注全封闭产品,适用于额定频率50HZ或60HZ,额定电压35KV及以下的系统中,作电能计量、电流测量和继电保护用。本产品符合IEC185及GB1208-1997《电流互感器》标准。
 
型号含义
结构简介
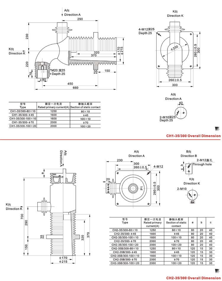
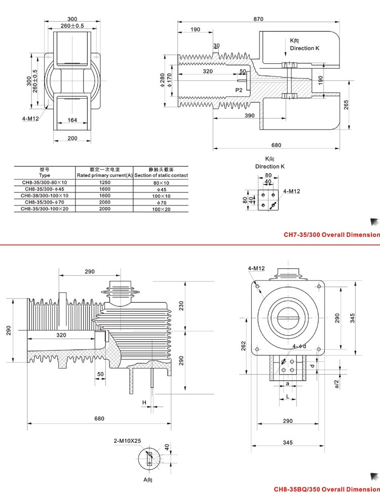
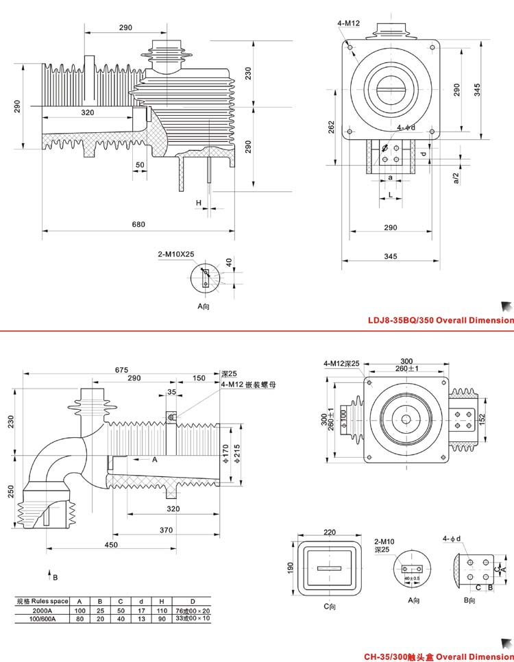
本型电流互感器为全封闭环氧树脂浇注结构,其一次绕组的P2端直接作为开关柜中的静触头,带有触头盒。静触头截面分80*10、100*10、100*20、φ45、φ70
 
技术参数
1.额定绝缘水平:40.5/95/185KV
2.负荷的功率因数:COS=0.8(滞后)
3.额定二次电流:5A或1A
4.测量级可做成0.2S或0.5S级
5.局部放电水平符合有关国家标准规定
6.其它技术参数见下表
 
外形尺寸