主页 > 产品展示 > 互感器 >
LZZB1-35W电流互感器

发布时间:2021-03-17 13:26 来源:www.shyongshang.com 作者: admin

LZZB1-35W型电流互感器

 
概述
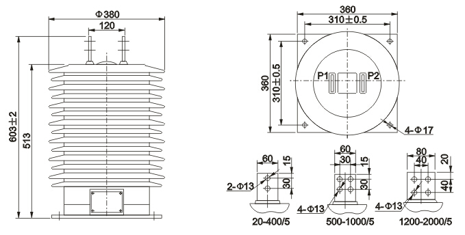
LZZB1-35W型电流互感器为全封闭支柱式产品,适用于额定频率50HZ或60HZ,额定电压35KV及以下的电力系统中,作电能计量、电流测量和继电保护用。本产品符合IEC185及GB1208-1997《电流互感器》标准。
 
型号含义
 
结构简介
本系列电流互感器为全封闭支柱结构,外绝缘采用户外专用环氧树脂(瑞士CIBA,CW5837),具有耐电弧、耐紫外线、耐老化、寿命长、爬电距离大、局部放电量小、抗过电压能力强等特点。一次绕组和二次绕组及其铁心组合在一起的器身封闭在环氧树脂混合料的浇注体内,一次P1、P2端由产品顶部引出,二次S1、S2端由产品下部密封的出线盒引出。
 
技术参数
1.额定绝缘水平:40.5/95/185KV
2.额定二次电流:5A或1A
3.额定一次电流、准确级组合、额定输出及动热稳定电流见表;
4.局部放电水平符合GB1208-1997《电流互感器》标准
5.环境温度:负25度到正40度
6.污秽等级:IV级
注:对上面所列数据,用户另有要求可与我厂协商确定;二次绕组可抽头,得到不同变比。
A:LZZB1-35W 10P10准确限值与二次负荷关系曲线
B:LZZB1-35W 10P15,10P20准确限值与二次负荷关系曲线
 
外形尺寸