主页 > 产品展示 > 互感器 >
JDZX6-35RW电压互感器

发布时间:2021-03-19 14:49 来源:www.shyongshang.com 作者: admin

JDZ(X)6-35QRW型电压互感器

 
概述
JDZ(X)6-35QRW型电压互感器为全封闭环氧树脂浇注结构,适用于额定频率50HZ、额定电压35KV及以下的电力系统中,作电能计量、电压监控和继电保护用。本产品符合IEC186及GB1207-1997《电压互感器》标准。
 
型号含义
 
结构简介
本系列电压互感器一次绕组带有熔断器保护电压互感器,采用环氧树脂浇注绝缘全封闭结构,其熔断器装在一次出线端子内部,更换方便,熔断电流与互感器短路承受能力相匹配,缩小了空间。
 
技术参数
1.额定绝缘水平:40.5/95/200KV
2.负荷的功率因数:COSφ=0.8(滞后)
3.表面爬电距离:满足III级污秽等级
4.产品性能符合标准:GB1207-1997《电压互感器》
5.环境温度:-40度~+40度
 
线路接线图
JDZX6-35RW常规接线图
JDZ6-35QR常规接线图
 
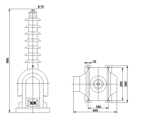
外形尺寸
JDZX6-35RW外形尺寸
JDZ6-35QR外形尺寸