主页 > 产品展示 > 互感器 >
JDZ(X)R8-10A、B、C系列电压互感器

发布时间:2021-04-01 16:46 来源:www.shyongshang.com 作者: admin

JDZ(X)R8-10A、B、C系列电压互感器

 
概述
JDZ(X)R8-10A、B、C系列电压互感器为环氧树脂浇注绝缘全封闭产品,适用于额定电压50HZ或60HZ、额定电压10KV及以下的中性点非有效接地电力系统中,作电能计量、电压监测和继电保护用。本产品符合IEC186及GB1207-1997《电压互感器》标准。
 
型号含义
 
结构简介
本系列电压互感器体积小、重量轻、局部放电量小,抗过电压能力强,最大特点是一次带有熔断器保护。熔断器装在互感器的内部,直接避免因用户配置熔断器浪费开关柜的有效空间,其熔断器熔断电流与互感器短路承受能力相匹配,且能有效地保护互感器因电网出现故障时不被烧毁。
 
技术参数
1.技术参数见表
2.配用熔断器JDZR8-10A、B、C为XRNP□-12型,0.2A,50KA;JDZXR8-10A、B、C为XRNP□-12,0.2A,50KA(特殊要求请订货时提示)
3.若用户要求配合微机使用时,0.2、0.5级二次负荷可下延至1VA
 
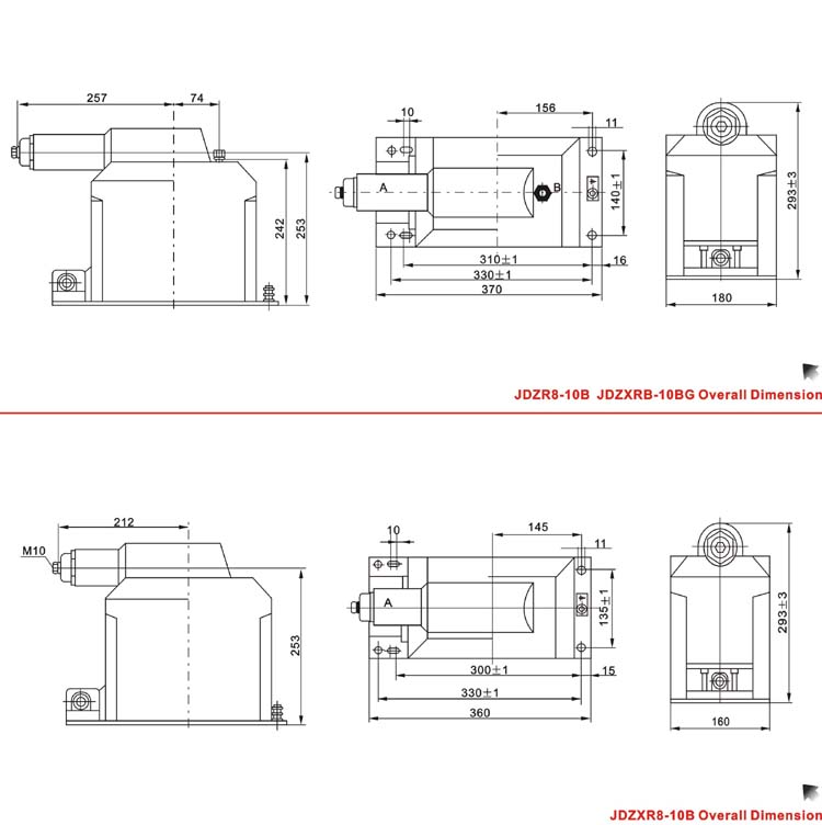
外形尺寸