主页 > 产品展示 > 互感器 >
电压互感器JDZ(J)-10GY

发布时间:2021-04-21 13:38 来源:www.shyongshang.com 作者: admin

JDZ(J)-10GY电压互感器

 
概述
JDZ(J)-10GY电压互感器为单相多绕组全封闭环氧树脂浇注式互感器,本产品系户内外装置供额定频率50HZ,额定电压为10KV及以下的电力系统中作电压、电能测量和继电保护之用
 
型号含义
 
结构
本系列电压互感器为环氧树脂全封闭浇注绝缘结构,铁芯采用优质冷轧硅钢片绕制,并经退火处理,铁芯与一次绕组和二次绕组一起用环氧树脂浇注成型。本系列互感器耐污秽、耐潮性能良好。二次接线端子处有接线保护端子盒,端子盒有三个不同出线方向,接线方便,并能实现防尘,防窃电措施。
 
技术参数
额定绝缘水平:12/42/75KV
额定电压:10KV
额定频率:50HZ
额定负荷功率因数:0.8(滞后Lag)
额定二次输出及其相应准确级见表1
 
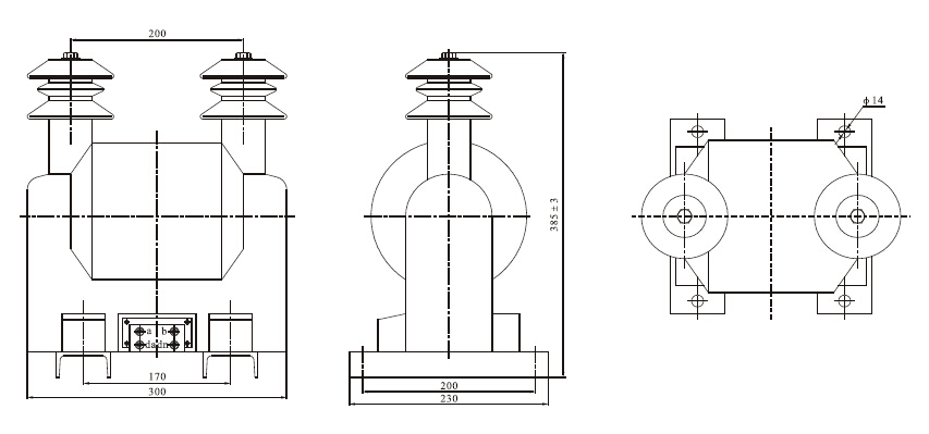
外形及安装尺寸图