主页 > 产品展示 > 互感器 >
电流互感器LJW(D)1-10、35

发布时间:2021-05-08 13:30 来源:www.shyongshang.com 作者: admin

LJW(D)1-10、35电流互感器

 
概述
LJW(D)1-10、35电流互感器是钢箱油浸式,户外户内两用装置,供频率50HZ的系统中,作电流、电能油量及继电保护之用。
LJW(D)1-10、35电流互感器允许在额定电流120%的情况下长期运行。适用于海拔高度不超过4000米,周围气温变化不超过-25度~正40度的地区。
 
型号含义
LJW(D)1-10、35电流互感器型号含义
 
结构简介
本型互感器为单相油浸自冷气式适用于户外(户内),互感器内装绝缘和冷却用的变压器油,并采用真空滤油和真空注油工艺。
10KV级油面跟箱盖约为15MM,箱盖上面装有注油阀,(阀上有气孔)并有防雨、雪护盖。35KV级套管上装有储油壶,储油壶内有隔腊,使变压器不与空气接触,减缓了油的氧化速度。互感器热稳定75倍,动稳定187.5倍。本产品分单变比单次级,单变比双次级,双变比单次级,双变比双次级四种型式。其中讲量用CT为0.2级,继保监控用CT分别有0.2、0.5、1、3(D)级等。
 
技术参数
LJW(D)1-10、35电流互感器技术参数
 
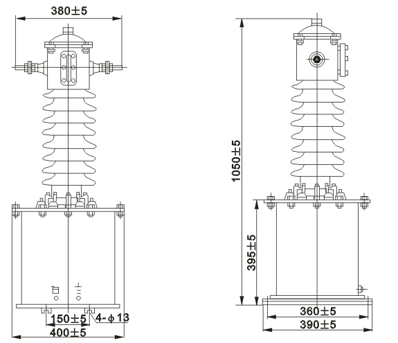
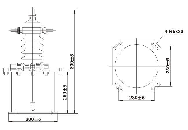
外形尺寸
LJW(D)1-10、35电流互感器外形尺寸
LJW(D)1-10
LJW(D)1-35